產品概述
GKYWG-60XIV罐旁顯示儀又叫通用罐旁開關量控制器,此產品具有4~20mA信號轉換出開關量功能,是由河北光科測控設備有限公司開發研制出的防爆顯示儀表。通過微處理器為核心高集成度電路,準確的計算現場液位、溫度、壓力、流量、密度等標準數字信號的數值并顯示出來帶有開關量的輸出信號,可安裝在現場或者控制室任何區域,方便安裝在現場裝置區高溫、有毒、易燃的工業現場環境,主要用于石油化工場所、電力、醫藥、消防等行業。
產品特點
防爆殼體設計可以用于各種工業現場(通過國家防爆認證)
配聲光報警器可以實現在防爆區域聲光報警
配各種液位計、溫度計、壓力流量計、密度計儀表增加開關量功能
在原有的4~20mA增加開關量信號輸出功能達到控制泵、閥、風機關停、開啟等功能
可以直接安裝在防爆區域
產品參數

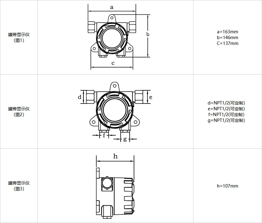
外形安裝尺寸

現場安裝示意圖

配置表

接線示意圖

訂貨選型


冀公網安備 13040202000876號